• M2
  • M2.5
  • M3
  • (M3.5)
  • M4
  • M5
  • M6
  • M8
  • M10
  • 3
  • 4
  • 5
  • 6
  • 8
  • 10
  • 12
  • (14)
  • 16
  • 20

扫一扫分享

尺寸单位: 毫米(mm)

①,螺钉(ISO 14583)。
DIN EN ISO  10644 S11 内六角花形(梅花槽)盘头螺钉和平垫圈组合件

尺寸单位: 毫米(mm)

①,螺钉(ISO 14583)。
查找供应商 需求留言
ISO10644S11L@simple_M2X3
下载该CAD模型 简化版
ISO10644S11L_M2X3
下载该CAD模型
ISO10644S11N@simple_M2X3
下载该CAD模型 简化版
ISO10644S11N_M2X3
下载该CAD模型
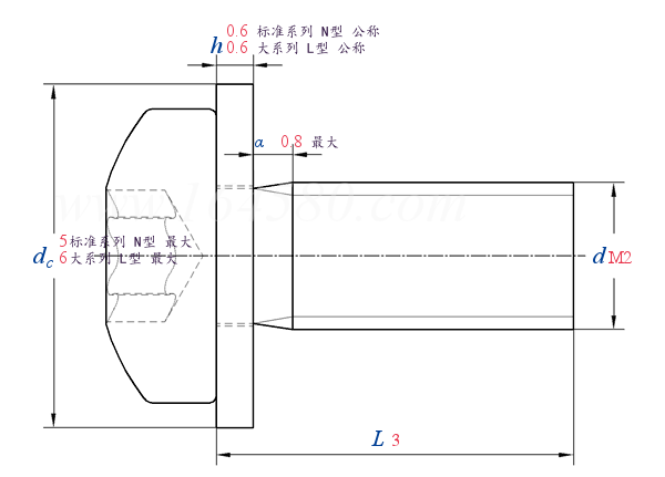
DIN EN ISO 10644 S11 内六角花形(梅花槽)盘头螺钉和平垫圈组合件
螺纹尺寸
d
M2
P 螺距
α 最大值
h 公称 标准系列 N型
大系列 L型
dc 最大值 标准系列 N型
大系列 L型
0.4
0.8
0.6
0.6
5
6

留言说明
1. 目前本平台暂不提供增加或提升下载次数的服务,敬请理解。
2. 若您在下载过程中遇到文件为空、文件损坏或无法正常使用的情况,请通过留言反馈具体问题。我们将在 1 个工作日内 处理,并在修复后第一时间更新文件。感谢您的耐心等待与支持。