• |
  • |
  • |
  • |
  • |
  • |
  • |
  • |
  • |
  • 首页
  • 会员服务
  • 关于我们
    关于我们 联系我们 展会会议
  • 零部件库

会员中心

需求留言
  1. 首页
  2. 零部件库
  3. 列表
筛选

标准零部件分类

  • 螺套
    • 钢丝螺套
      • 普通型钢丝螺套
      • 锁紧型钢丝螺套
      • 盲孔用钢丝螺套
    • 自攻螺套
      • 开槽型自攻螺套
      • 开孔型自攻螺套
  • 螺柱
    • 双头螺柱
    • 牙条、牙棒
  • 焊接螺丝&螺母
    • 焊接螺钉
    • 焊接螺柱
    • 焊接螺母
    • 焊钉
  • 挡圈
    • 轴用挡圈
    • 孔用挡圈
    • 钢丝挡圈
    • 开口挡圈
    • 刚性挡圈
  • 组合件
    • 机械螺钉和垫圈组合件
    • 六角头螺栓和垫圈组合件
    • 带槽组合自攻钉
    • 六角头组合自攻钉
  • 螺栓和螺钉
    • 六角头螺栓和螺钉
      • 六角头螺栓和螺钉
      • 全螺纹六角头螺栓和螺钉
      • 钢结构用六角头螺栓和螺钉
      • 加强杆六角头螺栓
      • 细牙六角头螺栓
      • 铰制孔用六角头螺栓
      • 带槽六角头螺栓
      • 头部带孔六角头螺栓
      • 杆部带孔六角头螺栓
    • 六角头法兰螺栓
      • 六角头法兰螺栓和螺钉
      • 大法兰六角头螺栓和螺钉
      • 小法兰六角头螺栓和螺钉
      • 六角头带垫(介)螺栓
    • 沉头螺栓
      • 沉头方颈螺栓
      • 沉头带榫螺栓
    • 圆头螺栓
      • 圆头方颈螺栓
      • 圆头矮方颈螺栓
      • 大半圆头方颈螺栓
      • 圆头椭圆锥颈螺栓
      • 圆头带榫螺栓
      • 圆头扭剪型螺栓
    • 方头螺栓
    • 活节螺栓
    • T形螺栓
    • U形螺栓
    • 地脚螺栓
    • 轮毂螺栓/十二角螺栓
    • 梅花头法兰螺钉和螺栓
  • 螺钉
    • 开槽螺钉
      • 开槽圆头螺钉
      • 开槽盘头螺钉
      • 开槽沉头螺钉
      • 开槽半沉头螺钉
      • 开槽圆柱头螺钉
      • 开槽无头螺钉
      • 开槽扁圆头螺钉
    • 内六角螺钉
      • 内六角圆柱头螺钉
      • 内六角沉头螺钉
      • 内六角圆头螺钉
      • 内六角圆柱头轴肩螺钉(塞打)
    • 梅花槽螺钉
      • 梅花槽圆头螺钉
      • 梅花槽盘头螺钉
      • 梅花槽沉头螺钉
      • 梅花槽半沉头螺钉
      • 梅花槽圆柱头螺钉
      • 梅花槽六角头螺钉
    • 紧定螺钉
      • 开槽平端紧定螺钉
      • 开槽锥端紧定螺钉
      • 开槽圆柱端紧定螺钉
      • 开槽凹端紧定螺钉
      • 内六角平端紧定螺钉
      • 内六角锥端紧定螺钉
      • 内六角圆柱端紧定螺钉
      • 内六角凹端紧定螺钉
      • 方头紧定螺钉
      • 其它紧定螺钉
    • 十字槽螺钉
      • 十字槽盘头螺钉
      • 十字槽圆头螺钉
      • 十字槽沉头螺钉
      • 十字槽半沉头螺钉
      • 十字槽圆柱头螺钉
      • 十字槽六角头螺钉
      • 十字槽扁圆头螺钉
    • 四方槽螺钉
      • 四方槽圆头螺钉
      • 四方槽盘头螺钉
      • 四方槽沉头螺钉
      • 四方槽半沉头螺钉
      • 四方槽圆柱头螺钉
      • 四方槽扁圆头螺钉
    • 手拧螺钉
      • 手拧螺钉
    • 十二角槽螺钉
    • 复合槽螺钉
    • 导向端螺钉
    • 其他螺钉
  • 螺母
    • 六角螺母
      • 六角螺母
      • 管用螺母/六角螺母
      • 钢结构用六角螺母
      • 六角厚螺母
      • 六角薄螺母
      • 无倒角六角螺母
      • 细牙六角螺母
      • 六角细牙薄螺母
    • 防松螺母
      • 尼龙锁紧六角螺母
      • 尼龙锁紧六角法兰螺母
      • 全金属锁紧六角螺母
      • 全金属锁紧六角法兰螺母
      • 扣紧螺母
      • 自锁螺母
    • 六角法兰螺母
      • 六角法兰螺母
      • 六角带垫(介)螺母
    • 盖形螺母
      • 六角盖形螺母
      • 组合式六角盖形螺母
      • 尼龙锁紧六角盖形螺母(袋帽)
    • 六角开槽螺母
      • 六角开槽螺母
      • 六角开槽薄螺母
    • 圆螺母
      • 圆螺母
      • 滚花圆螺母
      • 镶入螺母
    • 轮毂螺母
      • 12角法兰面螺母
      • 法兰球面螺母
      • 其他车轮螺母
    • 四方螺母
    • 蝶形螺母
      • 冲压式蝶形螺母
      • 压铸式蝶形螺母
    • 组合螺母
    • 簧片螺母
    • T形螺母
    • 其他螺母
  • 自攻螺钉
    • 自攻螺钉
      • 开槽圆头自攻钉
      • 开槽沉头自攻钉
      • 开槽半沉头自攻钉
      • 十字槽圆头自攻钉
      • 十字槽沉头自攻钉
      • 十字槽半沉头自攻钉
      • 内六角槽和四方槽自攻钉
      • 梅花槽自攻钉
      • 六角头自攻钉
      • 六角头法兰和带垫自攻钉
      • 有槽六角头自攻钉
    • 钻尾自攻螺钉
      • 十字槽圆头钻尾自攻钉
      • 十字槽沉头钻尾自攻钉
      • 十字槽半沉头钻尾自攻钉
      • 六角头法兰钻尾自攻钉
      • 六角带介(垫)钻尾自攻钉
      • 梅花槽钻尾自攻钉
    • 自切和快速牙自攻钉
      • 自切自攻钉
      • 纤维板钉类
    • 自挤螺钉(三角锁紧螺钉)
      • 十字槽圆头三角锁紧螺钉
      • 梅花槽三角锁紧螺钉
      • 六角头三角锁紧螺钉
  • 木螺钉
    • 十字槽木螺钉
      • 十字槽圆头木螺钉
      • 十字槽沉头木螺钉
      • 十字槽半沉头木螺钉
    • 开槽木螺钉
      • 开槽沉头木螺钉
      • 开槽半沉头木螺钉
    • 六角头和方头木螺钉
  • 垫圈
    • 平垫圈
      • 平垫
      • 小平垫
      • 大平垫
      • 组合螺丝用平垫
      • 高强度平垫
      • 锥面垫圈
      • 球面垫圈
      • 销轴用平垫
      • 其它用途平垫
    • 弹簧垫圈
      • 弹簧垫圈(弹垫)
      • 波形弹簧垫圈
      • 鞍形弹簧垫圈
      • 碟形弹簧垫圈
    • 锁紧垫圈
      • 带齿锁紧垫圈
      • 弹性锁紧垫圈
      • 双叠自锁垫圈
    • 其它垫圈
      • 方形垫圈
      • 止动垫圈
      • 密封垫圈
      • 止推垫圈
  • 销
    • 开口销
      • 开口销
      • 锁销
    • 圆柱销
      • 圆柱销
      • 内螺纹圆柱销
    • 圆锥销
      • 圆锥销
      • 内螺纹圆锥销
      • 螺尾锥销
      • 开尾圆锥销
    • 销轴
      • 销轴
    • 弹性销
      • 卷制弹性圆柱销
      • 弹性圆柱销
    • 槽销
      • 槽销
      • 锥槽槽销
      • 圆头槽销
      • 沉头槽销
    • 键
      • 普通平键
      • 楔键
      • 半圆键
    • 球头销
  • 铆接类
    • 实心铆钉
      • 圆头实心铆钉
      • 沉头实心铆钉
      • 平圆头实心铆钉
    • 空心、半空心铆钉
      • 圆头半空心铆钉
      • 平圆头半空心铆钉
      • 无头铆钉
      • 全空心铆钉
    • 抽芯铆钉
      • 开口型圆头抽芯铆钉
      • 开口型沉头抽芯铆钉
      • 封闭型圆头抽芯铆钉
      • 封闭型沉头抽芯铆钉
      • 鼓型抽芯铆钉
    • 压铆件
      • 压铆螺柱(内螺纹)
      • 压铆螺母(内螺纹)
      • 压铆螺钉(外螺纹)
      • 压铆弹簧螺钉/手拧螺钉
    • 拉铆螺母/拉铆螺钉
  • 吊环螺丝
    • 吊环螺钉
    • 吊环螺母
    • 索具
  • 管用螺丝&螺母
    • 无头螺塞
    • 圆柱头螺塞
    • 六角头螺塞
    • 方头螺塞
    • 管箍
    • 管用螺母及其他
  • 弹簧
    • 压缩弹簧
  • 膨胀
    • 金属膨胀
    • 塑料/尼龙膨胀
  • 管接头
    • 硬管接头
      • 卡套式
      • 扩口式
      • 螺母
    • 活接头
  • 其他
    • 机械部件
    • 其他
    • 连接板
  • 钉子
    • 钢钉
      • 卷钉
  • AS
  • ASME
  • ASTM
  • IFI
  • BS
  • DIN
  • EN
  • GB
  • GOST
  • HB
  • SAE
  • ISO
  • JB
  • JIS
  • NF
  • Q
  • UNI
  • SH
  • HG
  • DL
  • Self-Clinching
  • T/ZZB
  • NB
  • CB
  • SN
  • YJT
  • Others
    • 沉头方颈螺栓
      • ASME B 18.9 -  2012 3号沉头方颈螺栓(标准头)[Table 1]  (A307, F468, F593, SAE J 429)
      • ASME B 18.9 -  2012 3号沉头方颈螺栓(标准头)[Table 1]  (A307, F468, F593, SAE J 429)
      ASME B 18.9 - 2012 3号沉头方颈螺栓(标准头)[Table 1] (A307, F468, F593, SAE J 429)
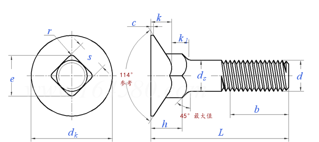
      • ASME B 18.5 T8 -  2012  2017 英制114°沉头方颈螺栓 [Table 8] (A307, SAE J429, F468, F593)
      • ASME B 18.5 T8 -  2012  2017 英制114°沉头方颈螺栓 [Table 8] (A307, SAE J429, F468, F593)
      ASME B 18.5 T8 - 2012 2017 英制114°沉头方颈螺栓 [Table 8] (A307, SAE J429, F468, F593)
      • GB /T 10 -  2013 沉头方颈螺栓
      • GB /T 10 -  2013 沉头方颈螺栓
      GB /T 10 - 2013 沉头方颈螺栓

    赞助商链接

    索斯科
    浙江安盛汽车零部件有限公司
    Jergens
    SPIROL

    © partsCAD.com 2026 All Right Reserved.